产品详情
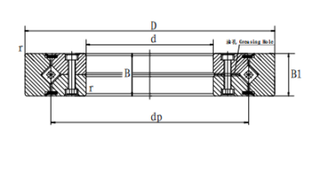
RE型(内环分割型、外环旋转用)
此系列型号是由RB型的设计理念产生的新型式,主要尺寸与RB型相同。其构造是内环是分割型,外环是一体设计,适合于要求外环旋转精度高的部位。




- 上一篇:没有了
- 下一篇:CRBH型交叉滚子轴承
Why choose us
为什么选择我们?
可按需求设计
可根据用户需求,设计、选型、制造各种非标精密轴承
品质严格把控
精度高,噪音低;硬度高耐磨耐冲击使用寿命长
应用范围广泛
适用于各类机床、精密旋转工作台、机械加工中心转台等

电话
微信
留言